Про стеклоподъёмники Megane 2. Часть 1

Распиновка блока следующая (нумерация нанесена на сам блок): 1 — “окно вниз” (управляется массой); 2 — “окно вверх” (управляется массой); 3 — “31” (масса); 4 — “30” (постоянный силовой плюс); 5 — не используется; 6 — “сигнал разрешения” (управляется массой). Первым делом на столе протестировал работу всех блоков из мешка. Один оказался уже без платы, два без признаков жизни, остальные работали, но с некоторыми отличиями. Часть блоков до меня уже вскрывалась, часть еще нет.
Среди рабочих оказались блоки Temic PASS1, PASS3 и несколько блоков без опознавательных знаков. Блоки PASS3 отличались от остальных (имеется ввиду от PASS1 и NoName, т.к. PASS2 и PASS4 у меня в руках рабочих не оказалось) направлением вращения моторчика. При этом один из блоков PASS3 (забегая вперед скажу что он единственный полноценно правильно заработал на заднем правом стекле кабриолета) без обучения двигал стекло вниз по касанию до конца, а вверх двигал только по удержанию. Второй блок PASS3 работал рывками, словно не обучен (это, кстати, один из симптомов выхода блока из строя при его повреждении коррозией). Блок был уже вскрытый, и там действительно присутствовали следы окислов на контакте массы (как на большинстве фото вскрытых блоков из интернета).
Один из NoName блоков на столе работал, а на автомобиле нет. Значит что-то в автомобиле ему не нравится. Будем искать.
Второй NoName блок работает без разрешающего сигнала на 6 пин, хотя не должен. Позже я натыкался на иноговорящих ресурсах на информацию о продаже говноблоков, которые работают просто по 4м проводам и не имеют никаких функций. Возможно это один из таких. По сути такое можно самому собрать на базе двух простых реле.
Небольшое отступление. Пока я покуривал инфу по теме, то обращал внимание в разных БЖ у кого какие блоки где стояли до вмешательства. Сложились две схемы установки блоков. Первая по часовой стрелке начиная с водительской двери: PASS1 — водительская, PASS2 — передняя правая, PASS3 — задняя правая, PASS4 — задняя левая. Вторая схема зеркальная: PASS2 — водительская, PASS1 — передняя правая, PASS4 — задняя правая, PASS3 — задняя левая.
Продолжу. На автомобиле по другим причинам снималась клемма с АКБ, соответственно все адаптации (если они имелись) были сброшены, и я заметил, что опускаются стекла до конца без всяких адаптаций по одному касанию, а поднимаются только удержанием кнопки вверх. Манипуляции с адаптацией (поднять стекло вверх и подержать кнопку в положении подъема более 1 секунды) вообще никакого эффекта не давали. Ничего непонятно, но очень интересно… Ушел подробнее изучать инструкции по эксплуатации и схемы подключения.
Получается, что с клавиш все работает в штатном режиме, и про необходимость адаптации ничего в мануале не нашел. Решил дополнительно перестраховаться и спросить владельцев кабриолетов как у них работают стекла. Nikolay4925 подтвердил что так и должно быть.
Открываю мануал на обычный Renault Megane 2: Кроме того есть дополнительная фишка: Закрытие стекол с помощью пульта дистанционного управления (для автомобилей, оборудованных импульсными электростеклоподъемниками). Если при запирании дверей снаружи, Вы дважды нажмете кнопку запирания карты RENAULT, кнопку запирания дверей или багажника (в режиме “свободные руки”), стекла поднимутся автоматически.
Если Ваш автомобиль оборудован системой ограничения усилия закрытия стекла, стекло останавливается и отодвигается на несколько сантиметров, если встречает на своем пути препятствие. Получается, что эта функция может быть только с импульсными стеклоподъемниками, но наличие импульсных стеклоподъемников не гарантирует наличие этой функции.
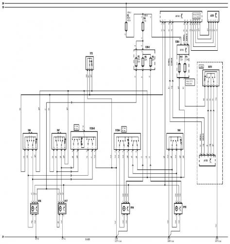
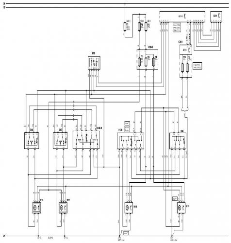
Открываю WoW (там есть встроенная AutoData на русском языке) и смотрю схемы подключения. На кабриолете они отличаются от остальных. Причем не только схемы, но и сами кнопки управления.

У Renault Megane 2 CC свои кнопки управления стеклоподъёмниками. Клавиши кабриолета имеют только три положения (нейтраль, вниз, вверх). Поскольку у меня был доступ к задним кнопкам я их прозвонил и сверил распиновку и коммутацию со схемой. Контакты подписаны на кнопке в виде таблицы: строки 1, 2, 3 и столбцы А и В.

Распиновка задней кнопки заднего стеклоподъёмника Megane 2 CC: А1 — не используется А2 — вход массы на коммутацию и на подсветку клавиши А3 — выход на pin 2 блока управления стеклоподъемников (подъем) В1 — выход на pin 1 блока управления стеклоподъемников (опускание) В2 — не используется В3 — вход подсветки клавиши Коммутация осуществляется следующим образом (в скобках указаны контакты, которые коммутируются, но проводами никуда не подключены): Вверх: А2+А3 и (В1+В2) Нейтраль: (А1+А3) и (В1+В2) Вниз: В1+А2 Задняя кнопка управления стеклоподъёмником на Renault Megane 2 кабриолет подключается параллельно кнопке в водительской двери. Поэтому неисправности одной из них не будут (в большинстве случаев) влиять на другую.

У седана кнопки управления импульсным стеклоподъёмником более навороченные. Они имеют пять положений (нейтраль, вверх немного, вверх до конца, вниз немного, вниз до конца) и более сложную схему подключения. Внимание! Внутри стоят диоды, рассчитанные на очень малый ток, поэтому любители прозванивать цепи мощной контролькой могут быть неприятно удивлены.
Распиновка задней кнопки стеклоподъёмника Megane 2 седан
Распиновка задней кнопки стеклоподъёмника Megane 2 седан: А1 — выход на pin 2 блока управления стеклоподъемников (подъем) А2 — вход массы на коммутацию и на подсветку клавиши А3 — выход на клавишу управления в водительской двери В1 — выход на pin 1 блока управления стеклоподъемников (опускание) В2 — выход на клавишу управления в водительской двери В3 — вход подсветки клавиши Коммутация осуществляется следующим образом (проверено на автомобиле 2005 года): Вверх до конца: А3+А2 и В1+А2 Вверх: А3+А1 и В1+А2 Нейтраль: А3+А1 и В1+В2 Вниз: А3+А2 и В1+В2 Вниз до конца: А3+А2 и В1+А2 Получается матрица. Из сочетания этих комбинаций блок управления стеклоподъёмником конкретного стекла решает что ему делать. Кстати вся эта хитрая коммутация реализована так, что кнопка управления в водительской двери подключена последовательно, поэтому если отсоединить одну из них, то работать не будет, а при выходе из строя одной из кнопок, в большинстве случаев будут проявляться глюки в работе и при управлении с другой. Кто-то на форуме разбирался с принципом работы на обычном мегане. Похоже на правду. Кстати владельцам обычных меганов по теме можно много полезного почерпнуть в БЖ этого и этого автомобилей, а я продолжу с кабриолетом, он то меня в первую очередь интересует.
Есть у кабриолета своя фишка, которой нет у других меганов: кнопка поднять/опустить все окна, которая находится рядом с кнопкой складывания/раскладывания крыши. Кстати перед тем как крыша начнет складываться сначала опускаются все стекла. Оказывается кнопка эта не имеет прямой связи с блоками управления стеклоподъемниками, а подключается к блоку управления складыванием крыши, который в свою очередь подключается по CAN-шине к Body Control Module (BCM или по нашему ЦЭКБС), от которого идет сигнал по последовательной линии электрических стеклоподъемников (на тот самый 6 контакт, который “сигнал разрешения”). Теперь понятно почему при переколхоженных проводах от кнопки был такой интересный косяк: “оказалось что при установке темика с разборки на заднюю левую форточку, у нее управление с обычных кнопок работает как надо, но вот кабриолетные функции становятся инвертированными“. В такой ситуации нужно не провода от кнопок местами менять, а разворачивать статор на моторчике, тогда он будет вращаться в другую сторону. Лично проверил — работает. Если поменять провода от кнопок, то владельцы седанов при закрытии с карты двойным нажатием получают опущенное окно.
Нацепил на 6 пин блока управления стеклоподъемником щуп мотор-тестера и нажал на кнопку опускания всех стекол (стекла все опустились вниз по касанию). Вот такой сигнал снял.
Осциллограмма сигнала от PCM на блоки управления стеклоподъемниками для опускания всех стекол Renault Megane 2 CC
Потом нажал на подъем (стекла поднимаются пока держу кнопку нажатой). Сигнал уже немного другой.
Осциллограмма сигнала от PCM на блоки управления стеклоподъемниками для подъема всех стекол Renault Megane 2 CC
Теперь можно на Arduino набросать программку для тестирования блоков на столе на предмет наличия кабриолетных функций. Ещё бы с обычного седана снять осциллограмму в момент закрытия всех стекол с карты, но нет под рукой.
Пока я проводил съем осциллограмм то обратил внимание на то, что все стекла опускались с разной скоростью, возможно это связано с тем, что весь день шел дождь и стекла намокли, ведь прошлый раз я делал все манипуляции в солнечную погоду и стекла двигались парами синхронно, а возможно сырая погода где-то проявила плохой контакт. Глянул напряжение в разъеме блока управления, а там около 8В… хм, а в прошлый раз было почти напряжение АКБ, видимо стоит заглянуть в разъем под ковриком. Доставать сиденье из купэ в гараже не совсем удобно, а на улице пока дожди. Да и запись получилась многобукаф. Так что продолжение следует…
Управление стеклоподъемниками
Управление электрическими стеклоподъемниками с места водителя
- 1, чтобы включить стеклоподъемник двери водителя;
- 2, чтобы включить стеклоподъемник двери переднего пассажира;
- 3 и 5, чтобы включить стеклоподъемники задних дверей (рис. 1.61).
Рис. 1.61. Панель управления стеклоподъемниками на водительской двери: 1 – выключатель стеклоподъемника двери водителя; 2 – выключатель стеклоподъемника двери переднего пассажира; 3 – выключатель стеклоподъемника задней правой двери; 4 – кнопка блокировки стеклоподъемников; 5 – выключатель стеклоподъемника задней левой двери
Водитель может заблокировать стеклоподъемники и задние двери, нажав на выключатель 4.
Рис. 1.62. Управление стеклоподъемниками передней пассажирской двери: 1 – выключатель стеклоподъемника
Стеклоподъемники можно включить также и с пассажирских мест (рис. 1.62 и 1.63).
Рис. 1.63. Управление стеклоподъемниками задней пассажирской двери: 1 – выключатель стеклоподъемника
«Импульсные» электрические стеклоподъемники
Импульсный режим работы стеклоподъемников дополняет описанный выше режим работы электрических стеклоподъемников.
- только стеклоподъемник двери водителя;
- все стеклоподъемники.
Неимпульсный режим
- Нажмите на соответствующий переключатель, чтобы опустить стекло, и отпустите переключатель, когда стекло опустится до нужного уровня.
- Поднимите соответствующий переключатель, чтобы поднять стекло, и отпустите переключатель, когда стекло поднимется на нужную высоту.
Импульсный режим
- Кратковременно нажмите на соответствующий переключатель: стекло опустится полностью.
- Резко поднимите соответствующий переключатель: стекло полностью поднимется.
Поднятие стекол с помощью пульта дистанционного управления
(для автомобилей, оборудованных импульсными электрическими стеклоподъемниками)
Если при запирании дверей снаружи два раза подряд нажать на кнопку запирания карты Рено или на кнопки ручек боковых дверей или двери задка (в режиме «свободные руки»), то стекла поднимутся автоматически.
В целях безопасности автомобиль снабжен системой ограничения усилия подъема стекла, которое останавливается и опускается примерно на 5 см, если встречает на своем пути препятствие (например, пальцы, лапу животного, ветку дерева и т.п.).
Неисправности
Если одно из окон не закрывается, система переходит в неимпульсный режим: нажимайте на соответствующий переключатель столько раз, сколько необходимо для подъема стекла, затем удерживайте переключатель нажатым (все также в направлении поднятия) в течение одной секунды для перенастройки стеклоподъемника.
Залипло стекло на Рено Меган 2, что делать?
Хотя новые автомобили становятся лучше и лучше изолированы, летом в них все еще довольно жарко. Один из самых простых способов довольно быстро рассеять это тепло летом или уменьшить туман зимой — открыть окна во время вождения. Тем не менее, в некоторых случаях ваш окна могут не открываться или застревать при открытии или закрытии . В таком случае, что мне делать, если у меня окно застряло на моем рено меган 2? Именно на это мы сегодня и постараемся ответить, во-первых, разберемся в случае залипания ручного стеклоподъемника на Рено Меган 2, а во-вторых, в случае с электростеклоподъемником.
Ручное стеклоподъемник застрял на Рено Меган 2
Механизмы между электрическим стеклоподъемником и ручным стеклоподъемником различны, тем не менее, если окно вашего Рено Меган 2 застряло в открытом или закрытом положении , это не сильно изменится с технической стороны, но в открытом положении это обязательно больше раздражает, вы рискуете украсть свой автомобиль или иметь проблемы с плохой погодой и тем, что внутри вашего Renault Megane 2 плесень или есть электрические осложнения из-за влажности.
Почему у моего Рено Меган 2 залипает ручное стеклоподъемник?
Если вы находитесь в том случае, когда ручное стекло вашего Renault Megane 2 застряло Как в открытом, так и в закрытом положении, есть два наиболее важных фактора, которые могут описать эту блокировку:
- Кабель стеклоподъемника запутан или сломан: это не позволяет системе поднимать или опускать окно.
- Сломаны уплотнения или направляющие стекла: они препятствуют надлежащему движению стекла вверх и вниз.
Как открыть застрявшее ручное окно на моем Renault Megane 2?
Теперь мы выяснили, почему ручное стеклоподъемник вашего Рено Меган 2 блокируется в открытом или закрытом положении. Теперь мы поговорим об альтернативах, доступных вам, чтобы вы могли разблокировать окно вашего Renault Megane 2 . Для этого не нужны очень глубокие знания в области механики, ручные механизмы довольно просты. Тебе придется сними печать с твоей двери для доступа к системе стеклоподъемников. При визуальной проверке вы довольно быстро заметите, повреждены ли какие-либо элементы, например, оконные опоры или плечо рычага, не запутался ли трос или не сломаны ли направляющие, из-за чего окно вашего Renault Megane 2 будет заблокировано. направляющие можно попробовать поставить на место и смазать, иначе придется заменять деталь, для этого придется сначала внимательно вынуть стекло, чтобы правильно добраться до заменяемых механизмов.
Электростеклоподъемник застрял на Рено Меган 2
Теперь перейдем к самому простому случаю: Блокировка стеклоподъемников на Рено Меган 2 . На самом деле, электрические стеклоподъемники обязательно сложнее, чем ручные стеклоподъемники, и, следовательно, обязательно приносят свою долю дополнительных сложностей.
Почему заедает стеклоподъемник на моем Рено Меган 2?
Итак, начнем с возможных корней блокировки окна на Рено Меган 2:
- Неисправные двигатели стеклоподъемников. На самом деле, это одна из наиболее распространенных причин отказа стеклоподъемников, поскольку эти двигатели со временем изнашиваются и могут прийти в негодность. Как правило, вы можете узнать это, потому что, прежде чем они полностью уйдут в отставку, они начинают уставать, и окно поднимается все меньше и меньше довольно быстро.
- Одна из шестерен стеклоподъемника заедает или ломается, в этом случае вы должны услышать определенный шум при нажатии кнопки стеклоподъемника.
- Как и в случае с ручным стеклоподъемником, один из тросов может сломаться или запутаться в барабане системы, также вы должны заметить шум при активации стеклоподъемника вашего Renault Megane 2.
Как разблокировать застрявший стеклоподъемник на моем Renault Megane 2?
- Прежде чем делать что-либо еще, осторожно снимите дверную обшивку, чтобы не сломать скобы, удерживающие ее на месте.
- Оказавшись перед системой, вам нужно проверить электрическую установку, отсоединить силовые кабели от двигателя и с помощью вольтметра убедиться, что у вас есть ток около 12 вольт при нажатии кнопки стеклоподъемника. Если это не так, вам придется посмотрите на предохранитель стеклоподъемника на вашем Renault Megane 2, пожалуйста, обратитесь к нашей статье, чтобы помочь вам определить это. Если предохранитель исправен, проверьте провода питания, один из них должен быть отрезан.
Теперь ты знаешь как избавиться от застрявшего окна на Renault Megane 2/strong, некоторые ремонты сложнее других, если у вас нет опыта, чтобы сделать их самостоятельно, обратитесь к своему мастеру, который сможет сделать их для вас.
Если у вас есть дополнительные вопросы о Renault Megane 2, не стесняйтесь обращаться к нашим специалистам. Рено Меган 2 категория.
Рено меган 2 как поднять стекло вручную
Диагностика и ремонт водительского стеклоподъёмника Renualt Megane 2 1.6L 16 K4M 812
Отсоединяем фишки и приступаем к диагностике. А вот тут самое интересное. У этих кнопок есть своя логика работы, про которую я и напишу. Под клавишей водительского стеклоподъёмника по факту 2е кнопки которые нажимаются по определенной последовательности и дают на плату управления мотором определённые сигналы (пример на рис. 1).
ЗАМЕНА ОПУСКНОГО СТЕКЛА ЗАДНЕЙ ДВЕРИ
Вам потребуются: отвертки с плоским и крестообразным лезвием, ключи TORX Т20.Т40.
1. Установите опускное стекло в крайнее нижнее положение.
2. Снимите облицовку задней двери (см. «Снятие и установка облицовки задней двери», с. 232).
3. Снимите неподвижное стекло задней двери (см. «Замена неподвижного стекла задней двери», с. 233).
4. Отожмите фиксатор.
5. . и приподнимите стекло вверх, вынимая его из обойм.
6. Извлеките стекло из двери, вынимая его вверх наружу.
7. Установите опускное стекло и все снятые детали в порядке, обратном снятию.
Renault Megane 2. СНЯТИЕ И УСТАНОВКА СТЕКЛОПОДЪЕМНИКА ЗАДНЕЙ ДВЕРИ
На задних дверях автомобиля в зависимости от комплектации могут быть установлены стеклоподъемники с ручным или электрическим управлением. В данном подразделе описаны снятие и установка стеклоподъемника с ручным управлением. Операции по снятию и установке стеклоподъемников с электроприводом выполняют аналогично, дополнительно следует лишь отсоединить колодки жгутов проводов от клавиши управления стеклоподъемником и моторедуктора стеклоподъемника.
Вам потребуются: ключ «на 10», отвертка с крестообразным лезвием.
1. Снимите облицовку задней двери (см. «Снятие и установка облицовки задней двери», с. 232).
2. Снимите опускное стекло задней двери (см. «Замена опускного стекла задней двери», с. 233).
Извлекать стекло из двери необязательно, достаточно отсоединить его от стеклоподъемника и зафиксировать в крайнем верхнем положении, например, с помощью отвертки, отрезков хлорвиниловой трубки подходящего диаметра или малярного скотча.
3. Выверните три болта крепления стеклоподъемника к панели двери.
4. . и извлеките его через технологическое отверстие в панели двери.
5. Установите стеклоподъемник и все снятые с задней двери детали в порядке, обратном снятию.
Управление стеклоподъемниками
Управление электрическими стеклоподъемниками с места водителя
- 1, чтобы включить стеклоподъемник двери водителя;
- 2, чтобы включить стеклоподъемник двери переднего пассажира;
- 3 и 5, чтобы включить стеклоподъемники задних дверей (рис. 1.61).
Рис. 1.61. Панель управления стеклоподъемниками на водительской двери: 1 – выключатель стеклоподъемника двери водителя; 2 – выключатель стеклоподъемника двери переднего пассажира; 3 – выключатель стеклоподъемника задней правой двери; 4 – кнопка блокировки стеклоподъемников; 5 – выключатель стеклоподъемника задней левой двери
Водитель может заблокировать стеклоподъемники и задние двери, нажав на выключатель 4.
Рис. 1.62. Управление стеклоподъемниками передней пассажирской двери: 1 – выключатель стеклоподъемника
Стеклоподъемники можно включить также и с пассажирских мест (рис. 1.62 и 1.63).
Рис. 1.63. Управление стеклоподъемниками задней пассажирской двери: 1 – выключатель стеклоподъемника
«Импульсные» электрические стеклоподъемники
Импульсный режим работы стеклоподъемников дополняет описанный выше режим работы электрических стеклоподъемников.
- только стеклоподъемник двери водителя;
- все стеклоподъемники.
Неимпульсный режим
- Нажмите на соответствующий переключатель, чтобы опустить стекло, и отпустите переключатель, когда стекло опустится до нужного уровня.
- Поднимите соответствующий переключатель, чтобы поднять стекло, и отпустите переключатель, когда стекло поднимется на нужную высоту.
Импульсный режим
- Кратковременно нажмите на соответствующий переключатель: стекло опустится полностью.
- Резко поднимите соответствующий переключатель: стекло полностью поднимется.
Поднятие стекол с помощью пульта дистанционного управления
(для автомобилей, оборудованных импульсными электрическими стеклоподъемниками)
Если при запирании дверей снаружи два раза подряд нажать на кнопку запирания карты Рено или на кнопки ручек боковых дверей или двери задка (в режиме «свободные руки»), то стекла поднимутся автоматически.
В целях безопасности автомобиль снабжен системой ограничения усилия подъема стекла, которое останавливается и опускается примерно на 5 см, если встречает на своем пути препятствие (например, пальцы, лапу животного, ветку дерева и т.п.).
Неисправности
Если одно из окон не закрывается, система переходит в неимпульсный режим: нажимайте на соответствующий переключатель столько раз, сколько необходимо для подъема стекла, затем удерживайте переключатель нажатым (все также в направлении поднятия) в течение одной секунды для перенастройки стеклоподъемника.
