20 Кмоп логика
КМОП (К-МОП комплементарная логика на транзисторах металл-оксид-полупроводник)— технология построения электронных схем. КМОП-логика (комплементарная МОП-логика) — каждый логический элемент микросхемы состоит из пары взаимодополняющих (комплементарных) полевых транзисторов (n-МОП и p-МОП). В технологии КМОП используются полевые транзисторы с изолированным затвором с каналами разной проводимости. Отличительной особенностью схем КМОП является очень малое энергопотребление в статическом режиме (в большинстве случаев можно считать, что энергия потребляется только во время переключения состояний). Отличительной особенностью структуры КМОП по сравнению с другими МОП-структурами (N-МОП, P-МОП) является наличие как n-, так и p-канальных полевых транзисторов; как следствие, КМОП-схемы обладают более высоким быстродействием и меньшим энергопотреблением, однако при этом характеризуются более сложным технологическим процессом изготовления и меньшей плотностью упаковки.
Подавляющее большинство современных логических микросхем, в том числе, процессоров, используют схемотехнику КМОП.
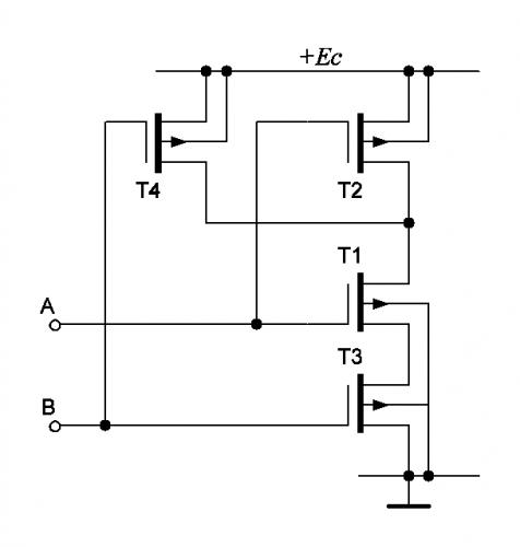
КМОП логические элементы на комплементарных ключах

а — элемент ИЛИ-НЕ; б — элемент И-НЕ
Основное достоинство КМОП-ключей состоит в том, что изменение выходного напряжения не связано с изменением тока: он остается близким к нулю. Это преимущество — ничтожную потребляемую мощность — сохраняют и КМОП логические элементы.
Закономерность структуры КМОП логических элементов: параллельное соединение одного типа транзисторов сопровождается последовательным соединением транзисторов другого типа. Выполняемая логическая функция определяется включением транзисторов «нижнего этажа». В рассматриваемых схеме — это n-канальные транзисторы. Если изменить полярность питающего напряжения, то в «нижнем этаже» окажутся транзисторы с p-каналом.
21 БиКмоп логика
БиКМОП — логика, включающая как биполярные, так и КМОП структуры. С появлением БиКМОП технологии стало возможным достигнуть значения выходного тока –32/ 64 мА.
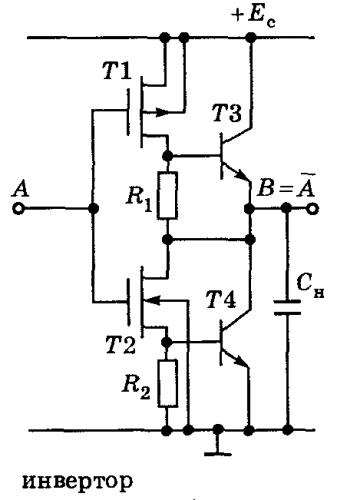
Рассмотрим работу БиКМОП-логики на примере простого инвертора, элемента НЕ. В статическом состоянии этот элемент работает как обычным КМОП-инвертор (Т1, Т2), у которого последовательно с каналом каждого из транзисторов включены резисторы R1, R2, сопротивления которых сравнимы с сопротивлениями каналов соответствующих транзисторов в открытом состоянии. Статические токи в КМОП-инверторе отсутствуют, напряжения на резисторах R1 и R2 равны нулю и биполярные транзисторы Т3 и Т4, эмиттерные переходы которых подсоеденины к этим резисторам, закрыты, т.е. биполярные транзисторы в статическом состоянии не влияют на характеристики БиКМОП-вентиля.
Пусть в исходном состоянии на входе инвертора низкий логический уровень; это соответствует открытому состоянию р-канального транзистора Т1 и высокому уровню на выходе инвертора, т.е. конденсатор нагрузки СН заряжен до уровня Ес. После поступления на вход высокого логического уровня транзистор Т1 запирается, а Т2 отпирается и начинается разряд Сн через транзистор Т2 на параллельно соединенные резистор R2 и эмиттерный переход биполярного транзистора Т4. Протекание части разрядного тока через эмиттерный переход приводит к открыванию Т4 и значительному ускорению перезаряда емкости нагрузки. Процесс переключения при переходе входного сигнала из высокого логического уровня в низкий происходит аналогично.
Из приведенного описания следует, что использование биполярных транзисторов позволяет нейтрализовать влияние емкости нагрузки, являющейся одним из основных факторов, ограничивающих быстродействие КМОП-ИС.
Микросхемы КМОП — идеальное семейство логических схем
Давайте поговорим о характеристиках идеального семейства логических микросхем. Они не должны рассеивать мощность, иметь нулевую задержку распространения сигнала, управляемые времена нарастания и спада сигнала, а также иметь помехоустойчивость, эквивалентную 50% размаха выходного сигнала.
Параметры современных семейств КМОП-микросхем (комплементарных МОП) приближаются к этим идеальным характеристикам.
Во-первых, КМОП-микросхемы рассеивают малую мощность. Типовое значение статической рассеиваемой мощности составляет порядка 10 нВ на один вентиль, которая образуется токами утечки. Активная (или динамическая) рассеваемая мощность зависит от напряжения источника питания, частоты, выходной нагрузки и времени нарастания входного сигнала, но ее типовое значение для одного вентиля при частоте 1 МГц и нагрузке емкостью 50 пФ не превышает 10 мВт.
Во-вторых, время задержки распространения сигнала в КМОП-вентилях хотя и не равно нулю, но достаточно мало. В зависимости от напряжения источника питания, задержка распространения сигнала для типового элемента находится в диапазоне от 25 до 50 нс.
В третьих, времена нарастания и спада контролируемы, и представляют собой скорее линейные, чем ступенчатые функции. Обычно времена нарастания и спада имеют на 20-40% большие значения, чем время задержки распространения сигнала.
И, наконец, типовое значение помехоустойчивости приближается к 50% и составляет приблизительно 45% от амплитуды выходного сигнала.
Еще одним немаловажным фактором, свидетельствующим в пользу КМОП-микросхем, является их малая стоимость, особенно при использовании в портативном оборудовании, питающемся от маломощных батарей.
Источники питания, в системах, построенных на КМОП-микросхемах, могут быть маломощными, и, как следствие, недорогими. Благодаря малой потребляемой мощности, подсистема питания может быть проще, а значит дешевле. В радиаторах и вентиляторах нет необходимости, благодаря низкой рассеиваемой мощности. Непрерывное совершенствование технологических процессов, а также увеличение объемов производства и расширение ассортимента выпускаемых КМОП-микросхем приводит к снижению их стоимости.
Существует множество серий логических микросхем КМОП-структуры. Первой из них была серия К176, далее К561 (CD4000AN) и КР1561 (CD4000BN), но наибольшее развитие функциональные ряды получили в сериях КР1554 (74ACxx), КР1564 (74HCxx) и КР1594 (74ACTxx).
Функциональные ряды современных КМОП-микросхем серий КР1554, КР1564 и КР1594 содержат полнофункциональные эквиваленты микросхем ТТЛШ-серий КР1533 (74ALS) и К555 (74LS), которые полностью совпадают как по выполняемым функциям, так и по разводке выводов (цоколевке). Современные КМОП-микросхемы по сравнению с их прототипами, сериями К176 и К561, потребляют значительно меньшую динамическую мощность и многократно превосходят их по быстродействию.
Для упрощения схемотехнических решений, разработаны КМОП-серии с входным пороговым напряжением ТТЛ-уровней (КР1594 и некоторые другие), так и КМОП-уровней (КР1554, КР1564 и некоторые другие). Диапазон рабочих температур для микросхем общего применения находится в пределах -40-+85С, и -55-+125С —специального применения. В табл. 1 приведено сравнение входных и выходных характеристик КМОП и ТТЛШ-микросхем.
Таблица 1. Сравнение электрических параметров КМОП и ТТЛШ-схем
КМОП с ПКК-затвором
КМОП с ПКК-затвором
КМОП с Метали-ческим.-затвором
Малопо-требля-ющая ТТЛШ
Улучшенная Малопотреб-ляющая ТТЛШ
Быстро-действу-ющая
Power dissipation per gate (mW)
При частоте 100 кГц
Время задержки распространения
Максимальная тактовая частота
Минимальный выходной ток (мА)
Выходы с повышенной нагрузочной способностью
Коэффициент разветвления по выходу (Нагрузка на на один вход К555)
Выходы с повышенной нагрузочной способностью
Максимальный входной ток, IIL (мА) (VI = 0,4 В)
ХАРАКТЕРИСТИКИ КМОП-МИКРОСХЕМ
Цель данного раздела заключается в том, чтобы дать разработчику системы необходимые сведения о том, как работают цифровые микросхемы структуры КМОП и ведут себя при воздействии различных управляющих сигналов. Достаточно много было написано о конструкции и технологии производства микросхем КМОП, поэтому здесь рассмотрим только схемотехнические особенности микросхем этого семейства.
Основной КМОП-схемой является инвертор, показанный на рис. 1. Он состоит из двух полевых транзисторов, работающих в режиме обогащения: с каналом P-типа (верхний) и каналом N-типа (нижний). Для обозначения выводов питания приняты: VDD или VCC — для положительного вывода и VSS или GND — для отрицательного. Обозначения VDD и VCC позаимствованы из обычных МОП-схем и символизируют источники питания истока и стока транзисторов. Они не относятся непосредственно к схемам КМОП, поскольку выводами питания являются истоки обоих комплементарных транзисторов. Обозначения VSS или GND позаимствованы от ТТЛ-схем, и эта терминология сохранилась и для КМОП-микросхем. Далее будут указываться обозначения VCC и GND.
Логическими уровнями в КМОП-системе являются VCC (логическая “1”) и GND (логический “0”). Поскольку ток, протекающий во “включенном” МОП-транзисторе практически не создает на нем падения напряжения, и поскольку входное сопротивление КМОП-вентиля очень велико (входная характеристика МОП-транзистора, в основном, емкостная и выглядит подобно вольтамперной характеристике МОП-транзистора сопротивлением 1012 Ом, зашунтированного конденсатором емкостью 5 пФ), то и логические уровни в КМОП-системе будут практически равны напряжению источника питания.
Теперь давайте посмотрим на характеристические кривые МОП-транзисторов, для того чтобы получить представление о том, как времена нарастания и спада, задержки распространения сигнала и рассеиваемая мощность будут изменяться с изменением напряжения источника питания и емкости нагрузки.
На рис. 2 показаны характерные кривые N-канального и P-канального полевых транзисторов, работающих в режиме обогащения.
Из этих характеристик следует ряд важных выводов. Рассмотрим кривую для N-канального транзистора с напряжением Затвор-Исток равным VGS=15 В. Следует заметить, что для постоянного управляющего напряжения VGS, транзистор ведет себя, как источник тока для значений VDS (напряжение Сток-Исток) больших, чем VGS-VT (VT-пороговое напряжение МОП-транзистора). Для значений VDS меньше VGS-VT транзистор ведет себя, в основном, подобно резистору.
Следует также заметить, что для меньших значений VGS кривые имеют аналогичный характер, за тем исключением, что величина IDS значительно меньше, и, в действительности, IDS возрастает пропорционально квадрату VGS. P-канальный транзистор имеет практически одинаковые, но комплементарные (дополняющие) характеристики.
В случае управления емкостной нагрузкой с помощью КМОП-элементов, начальное изменение напряжения, приложенного к нагрузке, будет иметь линейный характер, благодаря “токовой” характеристике на начальном участке, получаемой округлением преобладающей резистивной характеристики, когда значение VDS мало отличается от нуля. Применительно к простейшему КМОП-инвертору, показанному на рис. 1, по мере уменьшения напряжения VDS до нуля, выходное напряжение VOUT будет стремиться к VCC или GND, в зависимости от того, какой транзистор открыт: P-канальный или N-канальный.
Если увеличивать VCC, и, следовательно, VGS, инвертор должен развивать на конденсаторе большую амплитуду напряжения. Однако, для одного и того же приращения напряжения, нагрузочная способность IDS резко возрастает, как квадрат VGS, и поэтому времена нарастания и задержки распространения сигнала, показанные на рис. 3, уменьшаются.
Таким образом, можно видеть, что для данной конструкции, и, следовательно, фиксированного значения емкости нагрузки, увеличение напряжения источника питания увеличит быстродействие системы. Увеличение VCC увеличит быстродействие, но также и рассеиваемую мощность. Это верно по двум причинам. Во-первых, произведение CV2f, а значит мощность, возрастают. Это мощность, рассеиваемая в КМОП-схеме, или любой аналогичной схеме, по названной выше причине, при управлении емкостной нагрузкой.
Для указанных значений емкости нагрузки и частоты переключения, рассеиваемая мощность возрастает пропорционально квадрату падения напряжения на нагрузке.
Вторая причина заключается в том, что произведение VI или мощность, рассеиваемая на КМОП-схеме, возрастает с ростом напряжения источника питания VCC (для VCC>2VT). Каждый раз, когда схема переключается из одного состояния в другое, кратковременно возникает сквозной ток, протекающий от VCC к GND через два одновременно открытых выходных транзистора.
Поскольку пороговые напряжения транзисторов не изменяются с ростом VCC, то диапазон входного напряжения, в пределах которого верхний и нижний транзисторы одновременно находятся в проводящем состоянии, увеличивается с ростом VCC. В то же время, большее значение VCC обеспечивает большие значения управляющих напряжений VGS, которые также приводят к увеличению токов JDS. В связи с этим, если время нарастания входного сигнала равняется нулю, то через выходные транзисторы не было бы сквозного тока от VCC к GND. Эти токи возникают по той причине, что фронты входного сигнала имеют конечно малые времена нарастания и спада, и, следовательно, входное напряжение требует определенного конечно малого времени для прохождения диапазона, в котором два выходных транзистора включены одновременно. Очевидно, что времена нарастания и спада фронтов входного сигнала должны иметь минимальное значение, для уменьшения рассеиваемой мощности.
Давайте взглянем на передаточные характеристики (рис. 5), как они изменяются с изменением питающего напряжения VCC. Условимся считать, что оба транзистора в нашем простейшем инверторе имеют идентичные, но комплементарные характеристики и пороговые напряжения. Предположим, что пороговые напряжения, VT, равны 2V. Если VCC меньше порогового напряжения 2V, ни один из транзисторов не может быть включен, и схема работать не будет. На рис. 5а показана ситуация, когда напряжение источника питания в точности соответствует пороговому напряжению. В таком случае схема должна работать со 100% гистерезисом. Однако, это не совсем гистерезис, поскольку оба выходных транзистора закрыты, и выходное напряжение поддерживается на емкостях затворов, следующих по цепи схем. Если VCC находится в пределах одного и двух пороговых напряжений (рис. 5б), происходит уменьшение величины “гистерезиса”, по мере приближения VCC к значению, эквивалентному 2VT (рис. 5в). При напряжении VCC, эквивалентном двум пороговым напряжениям, “гистерезис” отсутствует; также нет сквозного тока через два одновременно открытых выходных транзистора в моменты переключений. Когда значение VCC превышает два пороговых напряжения, кривые передаточной характеристики начинают закругляться (рис. 5г). Когда VIN проходит через область, где оба транзистора открыты, т.е. в проводящем состоянии, токи, протекающие в каналах транзисторов, создают падения напряжений, дающие закругления характеристик.
Рассматривая КМОП-систему на предмет шума, необходимо рассматривать, по крайней мере, две характеристики: помехоустойчивость и запас помехоустойчивости.
Современные КМОП-схемы имеют типичное значение помехоустойчивости равное 0,45VCC. Это означает, что ложный входной сигнал, равный 0,45VCC или менее отличающийся от VCC или GND, не будет распространяться в системе, как ошибочный логический уровень. Это не означает, что на выходе первой схемы вообще не появится никакого сигнала. На самом деле, в результате воздействия сигнала помехи, на выходе появится выходной сигнал, но он будет ослаблен по амплитуде. По мере распространения этого сигнала в системе, он будет ослаблен последующими схемами еще больше, пока он совсем не исчезнет. Обычно такой сигнал не изменяет выходное состояние логического элемента. В обычном триггере, ложный входной синхронизирующий импульс амплитудой 0,45VCC не приведет к изменению его состояния.
Производитель КМОП-микросхем также гарантирует наличие запаса помехоустойчивости 1 Вольт во всем диапазоне питающих напряжений и температур и для любой комбинации входов. Это всего лишь отклонение характеристики помехоустойчивости, для которой гарантирован особый набор входных и выходных напряжений. Другими словами, из данной характеристики следует, что для того, чтобы выходной сигнал схемы, выраженный в Вольтах, находился в пределах 0,1VCC от значения соответствующего логического уровня (“нуля” или “единицы”), входной сигнал не должен превышать значение 0,1VCC плюс 1 Вольт выше уровня “земли” или ниже уровня “питания”. Графически данная ситуация показана на рис. 4.
Данные характеристики близко напоминают запас помехоустойчивости стандартных ТТЛ-схем, который составляет 0,4 В (рис. 6). Для полноты картины зависимости выходного напряжения VOUT от входного VIN, приведем кривые передаточных характеристик (рис. 5).
АНАЛИЗ ПРИМЕНЕНИЯ В СИСТЕМЕ
В данном разделе рассмотрены различные ситуации, возникающие при разработке системы: неиспользуемые входы, параллельное включение элементов для увеличения нагрузочной способности, разводка шин данных, согласование с логическими элементами других семейств.
НЕИСПОЛЬЗУЕМЫЕ ВХОДЫ
Проще говоря, неиспользуемые входы не должны быть оставлены не подключенными. По причине очень большого входного сопротивления (1012 Ом), плавающий вход может дрейфовать между логическими “нулем” и “единицей”, создавая непредсказуемое поведение выхода схемы и связанные с этим проблемы в системе. Все неиспользуемые входы должны быть подключены к шине питания, “общему” проводу или другому используемому входу. Выбор совершенно не случаен, поскольку следует учитывать возможное влияние на выходную нагрузочную способность схемы. Рассмотрим, к примеру, четырехвходовый элемент 4И-НЕ, используемый, как двухвходовый логический вентиль 2И-НЕ. Его внутренняя структура показана на рис. 7. Пусть входы A и B будут неиспользуемыми входами.
Если неиспользуемые входы должны быть подключены к фиксированному логическому уровню, тогда входы A и B должны быть подключены к шине питания, чтобы разрешить работу остальных входов. Это приведет к включению нижних A и B транзисторов и выключению соответствующих верхних A и B. В таком случае, не более двух верхних транзисторов могут быть включены одновременно. Однако если входы A и B подключены к входу C, входная емкость утроится, но каждый раз, когда на вход C поступает уровень логического “нуля”, верхние транзисторы A, B и C — включаются, утраивая значение максимального выходного тока уровня логической “единицы”. Если на вход D поступает также уровень логического “нуля”, все четыре верхних транзистора — включены. Таким образом, подключение неиспользуемых входов элемента И-НЕ к шине питания (ИЛИ-НЕ к “общему” проводу) приведет к их включению, но подключение неиспользуемых входов к другим используемым входам гарантирует увеличение выходного вытекающего тока уровня логической “единицы”, в случае элемента И-НЕ (или выходного втекающего тока уровня логического “нуля”, в случае элемента ИЛИ-НЕ).
Для последовательно включенных транзисторов увеличения выходного тока не происходит. Учитывая это обстоятельство, многовходовый логический элемент может быть использован для непосредственного управления мощной нагрузкой, к примеру, обмоткой реле или лампой накаливания.
ПАРАЛЛЕЛЬНОЕ ВКЛЮЧЕНИЕ ЛОГИЧЕСКИХ ЭЛЕМЕНТОВ
В зависимости от типа логического элемента, объединение входов гарантирует увеличение нагрузочной способности для вытекающего или втекающего токов, но не двух одновременно. Для того чтобы гарантировать увеличение двух выходных токов необходимо параллельно включить несколько логических элементов (рис. 8). В таком случае, увеличение нагрузочной способности достигается за счет параллельного включения нескольких цепочек транзисторов (рис. 7), таким образом, увеличивая соответствующий выходной ток.
РАЗВОДКА ШИН ДАННЫХ
Для этого существует два основных способа. Первый способ — это параллельное соединение обычных буферных КМОП-элементов (например, К561ЛН2). И второй, наиболее предпочтительный, способ — соединение элементов с тремя выходными состояниями.
ФИЛЬТРАЦИЯ ПОМЕХ ИСТОЧНИКА ПИТАНИЯ
Поскольку КМОП-схемы могут работать в широком диапазоне питающих напряжений (3-15 В), необходима минимальная фильтрация. Минимальное значение напряжения источника питания определяется максимальной рабочей частотой самого быстрого элемента в системе (обычно очень небольшая часть системы работает на максимальной частоте). Фильтры должны быть выбраны из расчета поддержания питающего напряжения примерно посередине между указанным минимальным значением и максимальным напряжением, при котором микросхемы еще работоспособны. Однако если требуется минимизировать рассеиваемую мощность, напряжение источника питания должно быть выбрано как можно меньшим, при одновременном удовлетворении требований быстродействия.
МИНИМИЗАЦИЯ РАССЕИВАЕМОЙ МОЩНОСТИ СИСТЕМЫ
Для того чтобы минимизировать энергопотребление системы, она должна работать на минимальной скорости, выполняя поставленную задачу при минимальном питающем напряжении. Мгновенные значения динамической (AC) и статической (DC) потребляемой мощностей возрастают, как при увеличении частоты, так и напряжения источника питания. Динамическая потребляемая мощность (AC) представляет собой функцию произведения CV2f. Это мощность, рассеиваемая в буферном элементе, управляющим емкостной нагрузкой.
Очевидно, что динамическая потребляемая мощность возрастает прямо пропорционально частоте и пропорционально квадрату напряжения источника питания. Она также возрастает с увеличением емкости нагрузки, определяемой, в основном, системой, и не является переменной величиной. Статическая (DC) потребляемая мощность рассеивается в моменты переключения и представляет собой произведение VI. В любом КМОП элементе возникает мгновенный ток от шины питания на “общий” провод (при VCC>2VT) рис. 9.
Есть еще одно обстоятельство, касающееся времени нарастания входного сигнала и потребляемой мощности. Если схема используется для управления большим числом нагрузок, время нарастания выходного сигнала будет возрастать. Это приведет к увеличению VI рассеиваемой мощности в каждом устройстве, управляемом такой схемой (но не в самой управляющей схеме). Если потребляемая мощность достигает критического значения, необходимо увеличить крутизну выходного сигнала параллельным включением буферных элементов или разделением нагрузок для того, чтобы уменьшить общую потребляемую мощность.
Теперь подведем итоги влияния эффектов напряжения источника питания, входного напряжения, времен нарастания и спада фронтов входного сигнала, емкости нагрузки на рассеиваемую мощность. Можно сделать следующие выводы:
- Напряжение источника питания. Произведение CV2f рассеиваемой мощности возрастает пропорционально квадрату напряжения питания. Произведение VI рассеиваемой мощности возрастает приблизительно пропорционально квадрату напряжения источника питания.
- Уровень входного напряжения. Произведение VI рассеиваемой мощности возрастает, если входное напряжение находится в пределах между “нулевым потенциалом (GND) плюс пороговое напряжение” и “напряжением питания (VCC) минус пороговое напряжение”. Наибольшая рассеиваемая мощность наблюдается, когда VIN приближается к 0,5 VCC. На произведение CV2f уровень входного напряжения влияния не оказывает.
- Время нарастания входного сигнала. Произведение VI рассеиваемой мощности возрастает с увеличением времени нарастания, поскольку сквозной ток через одновременно открытые выходные транзисторы устанавливается на более продолжительное время. На произведение CV2f время нарастания входного сигнала влияния также не оказывает.
- Емкость нагрузки. Произведение CV2f мощности, рассеиваемой в схеме, возрастает пропорционально емкости нагрузки. Произведение VI рассеиваемой мощности не зависит от емкости нагрузки. Однако увеличение емкости нагрузки приведет к увеличению времен нарастания фронтов выходного сигнала, что, в свою очередь, приведет к росту произведения VI рассеиваемой мощности в управляемых этим сигналом логических элементах.
СОГЛАСОВАНИЕ С ЛОГИЧЕСКИМИ ЭЛЕМЕНТАМИ ДРУГИХ СЕМЕЙСТВ
Существует два основных правила для согласования элементов всех других семейств с микросхемами КМОП. Во-первых, КМОП-схема должна обеспечивать необходимые требования по входным токам и напряжениям элементов других семейств. И, во-вторых, что еще важнее, амплитуда выходного сигнала логических элементов других семейств должна максимально соответствовать напряжению источника питания КМОП-схемы.
P-КАНАЛЬНЫЕ МОП-СХЕМЫ
Существует целый ряд требований, которые необходимо обеспечить при согласовании P-МОП и КМОП-схем. Во-первых, это набор источников питания с различными напряжениями. Большинство P-МОП-схем рассчитаны для работы при напряжении от 17 В до 24 В, в то время как схемы-КМОП рассчитаны на максимальное напряжение 15 В. Другой проблемой P-МОП-схем, в отличие от КМОП, является значительно меньшая амплитуда выходного сигнала, чем напряжение источника питания. Выходное напряжение P-МОП-схем изменяется в пределах практически от более положительного потенциала питающего напряжения (VSS) до нескольких вольт выше более отрицательного потенциала (VDD). Поэтому, даже в случае работы P-МОП-схемы от источника напряжением 15 В, амплитуда ее выходного сигнала все равно будет меньше необходимой, чтобы обеспечить согласование с КМОП-схемой. Существует несколько способов решения данной проблемы, в зависимости от конфигурации системы. Рассмотрим два способа построения системы полностью на МОП-схемах и один способ, когда в системе используются ТТЛШ-схемы.
В первом примере используются только P-МОП и КМОП-схемы с напряжением питания менее 15 В (см. рис. 10). В этой конфигурации КМОП-схема управляет P-МОП непосредственно. Однако P-МОП-схема не может управлять КМОП напрямую, поскольку ее выходное напряжение уровня логического нуля значительно превышает нулевой потенциал системы. Для “подтягивания” выходного потенциала схемы к нулю, вводится дополнительный резистор RPD. Его величина выбирается достаточно малой, чтобы обеспечить желаемую постоянную времени RC при переключении выхода из “единицы” в “ноль” и, в то же время, достаточно большой, чтобы обеспечить необходимую величину уровня логической “единицы”. Этот способ подходит также и для выходов P-МОП-схем с открытыми стоками.
Другим способом в полностью МОП-системе является применение источника опорного напряжения на основе обычного стабилитрона для формирования более отрицательного потенциала, питающего КМОП-схему (рис. 11).
В этой конфигурации используется источник питания P-МОП-схемы напряжением 17-24 В. Опорное напряжение выбирается таким образом, чтобы уменьшить напряжение питания КМОП-схем до минимального размаха выходного напряжения P-МОП-схемы. КМОП-схема может по-прежнему управлять P-МОП непосредственно, но теперь, P-МОП-схема может управлять КМОП без “подтягивающего” резистора. Другими ограничениями являются: питающее напряжение КМОП-схем, которое должно быть меньше 15 В, и необходимость обеспечения опорным источником достаточного тока для питания всех КМОП-схем в системе. Это решение вполне пригодно, если источник питания P-МОП-схемы должен быть больше 15 В, и потребляемый ток КМОП-схемами достаточно мал, чтобы его мог обеспечить простейший параметрический стабилизатор.
Если в системе используются ТТЛШ-схемы, то должны быть, по крайней мере, два источника питания. В таком случае, КМОП-схема может работать от однополярного источника и управлять P-МОП-схемой непосредственно (рис. 12).
N-КАНАЛЬНЫЕ МОП-СХЕМЫ
Согласование КМОП с N-МОП-схемами проще, хотя некоторые проблемы существуют. Во-первых, N-МОП-схемы требуют меньшего напряжения источника питания, обычно в диапазоне 5-12 В. Это позволяет согласовывать их с КМОП-схемами непосредственно. Во вторых, амплитуда выходного сигнала КМОП-схем находится в диапазоне практически от нуля до напряжения источника питания минус 1-2 В.
При более высоких значениях напряжения источника питания N-МОП и КМОП-схемы могут работать напрямую, поскольку выходной уровень логической единицы N-МОП-схемы будет отличаться от напряжения источника питания всего на 10-20%. Однако, при меньших значениях напряжения питания, напряжение уровня логической единицы будет меньше уже на 20-40%, поэтому необходимо включение “подтягивающего” резистора (рис. 13).
ТТЛ-, ТТЛШ-СХЕМЫ
При согласовании данных семейств с КМОП-схемами возникают два вопроса. Во-первых, достаточно ли напряжения уровня логической единицы биполярных семейств для непосредственного управления КМОП-схемами? ТТЛ- и ТТЛШ-схемы вполне способны управлять КМОП-схемами серии 74HCXX напрямую без дополнительных “подтягивающих” резисторов. Однако, КМОП-схемами серии CD4000 (К561, КР1561) они управлять не способны, поскольку характеристики последних не гарантируют работоспособность в случае непосредственного подключения без подтягивающих резисторов.
ТТЛШ-схемы способны непосредственно управлять КМОП-схемами во всем диапазоне рабочих температур. Стандартные ТТЛ-схемы способны непосредственно управлять КМОП-схемами в большей части температурного диапазона. Однако, ближе к нижней границе температурного диапазона, напряжение уровня логической единицы ТТЛ-схем уменьшается и рекомендуется введение “подтягивающего” резистора (рис. 14).
Согласно зависимости допустимых значений напряжений входных уровней от напряжения источника питания для КМОП-схем (см. рис. 4), если входное напряжение превышает значение VCC-1,5 В (при VCC=5 В), то выходное напряжение не превысит 0,5В. Следующий КМОП-элемент усилит это напряжение 0,5 В до соответствующего напряжения VCC или GND. Напряжение уровня логической “1” для стандартных ТТЛ-схем составляет минимум 2,4 В при выходном токе 400 мкА. Это наихудший случай, поскольку выходное напряжение ТТЛ-схемы будет только приближаться к этому значению при минимальной температуре, максимальном значении входного уровня “0” (0,8 В), максимальных токах утечки и минимальном напряжении питания (VCC=4,5 В).
При нормальных условиях (25°С, VIN=0,4 В, номинальных токах утечки в КМОП-схеме и напряжении источника питания VCC=5 В) уровень логической “1” будет скорее соответствовать VCC-2VD или VCC-1,2 В. При изменении одной только температуры, выходное напряжение будет изменяться по зависимости “два умножить -2 мВ на один градус температуры” или “-4 мВ на градус”. Напряжения VCC-1,2 В вполне достаточно для непосредственного управления КМОП-схемой без необходимости включения “подтягивающего” резистора.
Для ТТЛШ-схемы входной ток достаточно мал, чтобы обеспечить непосредственное управление двумя такими входами. Для стандартной ТТЛ-схемы входной ток в десять раз превышает ток ТТЛШ-схемы и, следовательно, выходное напряжение КМОП-схемы, в таком случае, превысит максимально допустимое значение напряжения уровня логического “0” (0,8 В). Однако, внимательно изучая спецификацию выходной нагрузочной способности КМОП-схем, можно заметить, что двухвходовый элемент И-НЕ может управлять одним ТТЛ-входом, хотя и в крайнем случае. К примеру, выходное напряжение уровня логического “нуля” для приборов MM74C00 и MM74C02 во всем температурном диапазоне составляет 0,4 В при токе 360 мкА, при входном напряжении 4,0 В и напряжении питания 4,75 В. Обе схемы показаны на рис. 15.
Обе схемы имеют одинаковую нагрузочную способность, но их структуры различны. Это означает, что каждый из двух нижних транзисторов прибора MM74C02 может обеспечить тот же ток, что и два последовательно включенных транзистора MM74C00. Два транзистора MM74C02 вместе могут обеспечить вдвое больший ток при заданном выходном напряжении. Если допустить увеличение выходного напряжения логического “нуля” до значения 0,8 В, то прибор MM74C02 сможет обеспечить в четыре раза больший выходной ток, чем 360мкА, т.е. 1,44 мА, что близко к 1,6 мА. На самом деле, ток 1,6 мА — это максимальный входной ток для ТТЛ-входа, и большинство ТТЛ-схем работают при токе не более 1 мА. Также, ток 360 мкА — это минимальный выходной ток для КМОП-схем. Реальное значение находится в пределах 360-540 мкА (что соответствует входному току 2-3 ТТЛШ-входов). Ток 360мкА указан для входного напряжения 4 В. Для входного напряжения 5 В, выходной ток будет порядка 560 мкА во всем диапазоне температур, делая управление ТТЛ-входом еще проще. При комнатной температуре и входном напряжении 5 В, выход КМОП-схемы может обеспечить ток 800 мкА. Следовательно, двухвходовый элемент ИЛИ-НЕ обеспечит выходной ток 1,6 мА при напряжении 0,4 В, если на оба входа элемента ИЛИ-НЕ поступает напряжение 5 В.
Отсюда можно заключить, что один двухвходовый элемент ИЛИ-НЕ, входящий в состав прибора MM74C02, можно использовать для управления стандартным ТТЛ-входом вместо специального буфера. Однако это приведет к некоторому снижению помехоустойчивости в диапазоне температур.
КМОП-транзистор
КМОП (К-МОП; комплементарная логика на транзисторах металл-оксид-полупроводник; англ. CMOS, Complementary-symmetry/metal-oxide semiconductor ) — технология построения электронных схем. В технологии КМОП используются полевые транзисторы с изолированным затвором с каналами разной проводимости. Отличительной особенностью схем КМОП по сравнению с биполярными технологиями (ТТЛ, ЭСЛ и др.) является очень малое энергопотребление в статическом режиме (в большинстве случаев можно считать, что энергия потребляется только во время переключения состояний). Отличительной особенностью структуры КМОП по сравнению с другими МОП-структурами (N-МОП, P-МОП) является наличие как n-, так и p-канальных полевых транзисторов; как следствие, КМОП-схемы обладают более высоким быстродействием и меньшим энергопотреблением, однако при этом характеризуются более сложным технологическим процессом изготовления и меньшей плотностью упаковки.
Подавляющее большинство современных логических микросхем, в том числе, процессоров, используют схемотехнику КМОП.
Содержание
История
Схемы КМОП в 1963 изобрёл Фрэнк Вонлас (Frank Wanlass) из компании Fairchild Semiconductor, первые микросхемы по технологии КМОП были созданы в 1968. Долгое время КМОП рассматривалась как энергосберегающая, но медленная альтернатива ТТЛ, поэтому микросхемы КМОП нашли применение в электронных часах, калькуляторах и других устройствах с батарейным питанием, где энергопотребление было критичным.
К 1990 году с повышением степени интеграции микросхем встала проблема рассеивания энергии на элементах. В результате технология КМОП оказалась в выигрышном положении. Со временем была достигнута скорость переключения и плотность монтажа недостижимые в технологиях, основанных на биполярных транзисторах.
Ранние КМОП-схемы были очень уязвимы к электростатическим разрядам. Сейчас эта проблема в основном решена, но при монтаже КМОП-микросхем рекомендуется принимать меры по снятию электрических зарядов.
Для изготовления затворов в КМОП-ячейках на ранних этапах применялся алюминий. Позже, в связи с появлением так называемой самосовмещённой технологии, которая предусматривала использование затвора не только как конструктивного элемента, но одновременно как маски при получении сток-истоковых областей, в качестве затвора стали применять поликристаллический кремний.
Технология
Для примера рассмотрим схему вентиля 2И-НЕ, построенного по технологии КМОП.
- Если на оба входа A и B подан высокий уровень, то оба транзистора снизу на схеме открыты, а оба верхних закрыты, то есть выход соединён с землёй.
- Если хотя бы на один из входов подать низкий уровень, соответствующий транзистор сверху будет открыт, а снизу закрыт. Таким образом, выход будет соединён с напряжением питания и отсоединён от земли.
В схеме нет никаких нагрузочных сопротивлений, поэтому в статическом состоянии через КМОП-схему протекают только токи утечки через закрытые транзисторы, и энергопотребление очень мало. При переключениях электрическая энергия тратится в основном на заряд емкостей затворов и проводников, так что потребляемая (и рассеиваемая) мощность пропорциональна частоте этих переключений (например, тактовой частоте процессора).
Серии логических КМОП-микросхем зарубежного производства
- На КМОП-транзисторах (CMOS):
- 4000 — CMOS с питанием от 3 до 15В, 200 нс;
- 4000B — CMOS с питанием от 3 до 15В, 90 нс;
- 74C — аналогична серии 4000B;
- 74HC — Высокоскоростная CMOS, по скорости аналогична серии LS, 12 нс;
- 74HCT — Высокоскоростная, совместимая по выходам с биполярными сериями;
- 74AC — Улучшенная CMOS, скорость в целом между сериями S и F;
- 74ACT — Улучшенная CMOS, совместимая по выходам с биполярными сериями;
- 74AHC — Улучшенная высокоскоростная CMOS, втрое быстрее HC;
- 74AHCT — Улучшенная высокоскоростная CMOS, совместимая по выходам с биполярными сериями;
- 74ALVC — с низким напряжением питания (1,65 — 3,3В), время срабатывания 2 нс;
- 74AUC — с низким напряжением питания (0.8 — 2,7В), время срабатывания < 1,9 нс при Vпит=1,8В;
- 74FC — быстрая CMOS, скорость аналогична F;
- 74FCT — быстрая CMOS, совместимая по выходам с биполярными сериями;
- 74LCX — CMOS с питанием 3В и 5В-совместимыми входами;
- 74LVC — с пониженным напряжением (1,65 — 3.3В) и 5В-совместимыми входами, время срабатывания < 5,5 нс при Vпит=3,3V, < 9 нс при Vпит=2,5В;
- 74LVQ — с пониженным напряжением (3,3В);
- 74LVX — с питанием 3,3В и 5В-совместимыми входами;
- 74VHC — Сверхвысокоскоростная CMOS — быстродействие сравнимо с S;
- 74VHCT — Сверхвысокоскоростная CMOS, совместимая по выходам с биполярными сериями;
- 74G — Супер-сверхвысокоскоростная для частот выше 1 ГГц, питание 1,65В — 3,3В, 5В-совместимые входы;
Серии логических КМОП-микросхем отечественного производства
- На КМОП-транзисторах (CMOS):
- 164, 176, 561 и 564 соответствуют серии 4000, но у 164 и 176 питание только 9В;
- 1554 — серии 74AC;
- 1561 — серии 4000B;
- 1564 — серии 74HC;
- 1594 — серии 74ACT;
- 5564 — серии 74HCT;
См. также
Литература
- Жан М. Рабаи, Ананта Чандракасан, Боривож Николич Цифровые интегральные схемы. Методология проектирования = Digital Integrated Circuits. — 2-е изд.. — М.: «Вильямс», 2007. — С. 912. — ISBN 0-13-090996-3
- Точчи, Рональд, Дж., Уидмер, Нил, С. Цифровые системы. Теория и практика = Digital Systems: Principles and Applications. — 8-е изд.. — М.: «Вильямс», 2004. — С. 1024. — ISBN 5-8459-0586-9
| Логические микросхемы |
|---|
| ЭСЛ | ДТЛ | РТЛ | ТТЛ | N-МОП | КМОП |
| Пассивные твердотельные | Резистор · Переменный резистор · Подстроечный резистор · Варистор · Конденсатор · Индуктивность · Кварцевый резонатор · Предохранитель · Самовосстанавливающийся предохранитель · Трансформатор |
|---|---|
| Активные твердотельные | Диод · Светодиод · Фотодиод · Полупроводниковый лазер · Диод Шоттки · Стабилитрон · Стабистор · Варикап · Вариконд · Диодный мост · Лавинно-пролётный диод · Туннельный диод · Диод Ганна Транзистор · Биполярный транзистор · Полевой транзистор · КМОП-транзистор · Однопереходный транзистор · Фототранзистор · Составной транзистор Интегральная схема · Цифровая интегральная схема · Аналоговая интегральная схема Тиристор · Симистор · Динистор |
| Пассивные вакуумные | Бареттер |
| Активные вакуумные и газоразрядные | Электронная лампа · Электровакуумный диод · Триод · Тетрод · Пентод · Механотрон · Клистрон · Магнетрон · Амплитрон · Платинотрон · Электронно-лучевая трубка · Лампа бегущей волны |
| Устройства отображения | Электронно-лучевая трубка · ЖК монитор · Светодиод · Газоразрядный индикатор · Флажковый индикатор · Семисегментный индикатор |
| Акустические устройства и датчики | Микрофон · Динамик · Тензорезистор · Пьезокерамический излучатель |
| Термоэлектрические устройства | Термистор · Термопара · Элемент Пельтье |
Wikimedia Foundation . 2010 .
Полезное
Смотреть что такое «КМОП-транзистор» в других словарях:
КМОП — Статический КМОП инвертор КМОП (К МОП; комплементарная логика на транзисторах металл оксид полупроводник; КМДП[1] … Википедия
Транзистор — Дискретные транзисторы в различном конструктивном оформлении … Википедия
Транзистор с высокой подвижностью электронов (HEMT) — Транзистор с высокой подвижностью электронов (ТВПЭ) полевой транзистор, в котором для создания канала вместо легированной области, в отличие от обычных МОП транзисторов, используется контакт двух полупроводниковых материалов с различной шириной… … Википедия
Транзистор с высокой подвижностью электронов — (ТВПЭ) полевой транзистор, в котором для создания канала вместо легированной области, в отличие от обычных МОП транзисторов, используется контакт двух полупроводниковых материалов с различной шириной запрещенной зоны (т. н. гетеропереход)[1].… … Википедия
Транзистор (завод) — Филиал «Транзистор» Тип Филиал Год основания 1968 Расположение … Википедия
Полевой транзистор — Полевой транзистор (англ. field effect transistor, FET) полупроводниковый прибор, в котором ток изменяется в результате действия перпендикулярного току электрического поля, создаваемого входным сигналом. Протекание в полевом транзисторе… … Википедия
Униполярный транзистор — Полевой транзистор полупроводниковый прибор, в котором ток изменяется в результате действия перпендикулярного току электрического поля, создаваемого входным сигналом. Протекание в полевом транзисторе рабочего тока обусловлено носителями заряда… … Википедия
Составной транзистор — Условное обозначение составного транзистора Составной транзистор (транзистор Дарлингтона) объединение двух или более биполярных транзисторов[1] с це … Википедия
Биполярный транзистор — Обозначение биполярных транзисторов на схемах Простейшая наглядная схема устройства транзистора Биполярный транзистор трёхэлектродный полупроводниковый прибор, один из типов транзистора. Электроды подключены к трём последовательно… … Википедия
Баллистический транзистор — Баллистические транзисторы собирательное название электронных устройств, где носители тока движутся без диссипации энергии и длина свободного пробега носителей много больше размера канала транзистора. В теории эти транзисторы позволят создать… … Википедия
Как устроен КМОП-транзистор
Микропроцессор— это интегральная схема, сформированная на маленьком кристалле кремния. Кремний применяется в микросхемах в силу того, что он обладает полупроводниковыми свойствами: его электрическая проводимость больше, чем у диэлектриков, но меньше, чем у металлов. Кремний можно сделать как изолятором, препятствующим движению электрических зарядов, так и проводником — тогда электрические заряды будут свободно проходить через него. Проводимостью полупроводника можно управлять путем введения примесей.
Микропроцессор содержит миллионы транзисторов, соединенных между собой тончайшими проводниками из алюминия или меди и используемых для обработки данных. Так формируются внутренние шины. В результате микропроцессор выполняет множество функций – от математических и логических операций до управления работой других микросхем и всего компьютера.
Один из главных параметров работы микпроцессора – частота работы кристалла, определяющая количество операций за единицу времени, частота работы системной шины, объем внутренней кэш-памяти SRAM. По частоте работы кристалла маркируют процессор. Частота работы кристалла определяется частотой переключений транзисторов из закрытого состояния в открытое. Возможность транзистора переключаться быстрее определяется технологией производства кремниевых пластин, из которых делаются чипы. Размерность технологического процесса определяет размеры транзистора (его толщину и длину затвора).
Как делают микросхемы
Как известно из школьного курса физики, в современной электронике основными компонентами интегральных микросхем являются полупроводники p-типа и n-типа (в зависимости от типа проводимости). Полупроводник — это вещество, по проводимости превосходящее диэлектрики, но уступающее металлам. Основой полупроводников обоих типов может служить кремний (Si), который в чистом виде (так называемый собственный полупроводник) плохо проводит электрический ток, однако добавление (внедрение) в кремний определенной примеси позволяет радикально изменить его проводящие свойства. Существует два типа примеси: донорная и акцепторная.
Донорная примесь приводит к образованию полупроводников n-типа c электронным типом проводимости, а акцепторная — к образованию полупроводников p-типа с дырочным типом проводимости. Контакты p- и n-полупроводников позволяют формировать транзисторы — основные структурные элементы современных микросхем. Такие транзисторы, называемые КМОП-транзисторами, могут находиться в двух основных состояниях: открытом, когда они проводят электрический ток, и запертом — при этом они электрический ток не проводят. Поскольку КМОП-транзисторы являются основными элементами современных микросхем, поговорим о них подробнее.
Говоря о процессорах Intel, часто используют такие специфические понятия, как 0,13-микронный технологический процесс, а в последнее время — 90-нанометровый технологический процесс. К примеру, принято говорить, что новый процессор Intel Pentium 4 с ядром Northwood выполнен по 0,13-микронной технологии, а будущее поколение процессоров будет основано на 90-нанометровом технологическом процессе. В чем же разница между этими технологическими процессами и как она отражается на возможностях самих процессоров?
Как устроен КМОП-транзистор
Простейший КМОП-транзистор n-типа имеет три электрода: исток, затвор и сток. Сам транзистор выполнен в полупроводнике p-типа с дырочной проводимостью, а в областях стока и истока формируются полупроводники n-типов с электронной проводимостью. Естественно, что за счет диффузии дырок из p-области в n-область и обратной диффузии электронов из n-области в p-область на границах переходов p- и n-областей формируются обедненные слои (слои, в которых отсутствуют основные носители зарядов). В обычном состоянии, то есть когда к затвору не прикладывается напряжение, транзистор находится в «запертом» состоянии, то есть не способен проводить ток от истока к стоку. Ситуация не меняется, даже если приложить напряжение между стоком и истоком (при этом мы не принимаем во внимание токи утечки, вызванные движением под воздействием формируемых электрических полей неосновных носителей заряда, то есть дырок для n-области и электронов для p-области).
Однако если к затвору приложить положительный потенциал (рис. 1), то ситуация в корне изменится.

Под воздействием электрического поля затвора дырки выталкиваются в глубь p-полупроводника, а электроны, наоборот, втягиваются в область под затвором, образуя обогащенный электронами канал между истоком и стоком. Если приложить к затвору положительное напряжение, эти электроны начинают двигаться от истока к стоку. При этом транзистор проводит ток — говорят, что транзистор «открывается». Если напряжение с затвора снимается, электроны перестают втягиваться в область между истоком и стоком, проводящий канал разрушается и транзистор перестает пропускать ток, то есть «запирается». Таким образом, меняя напряжение на затворе, можно открывать или запирать транзистор, аналогично тому, как можно включать или выключать обычный тумблер, управляя прохождением тока по цепи. Именно поэтому транзисторы иногда называют электронными переключателями. Однако, в отличие от обычных механических переключателей, КМОП-транзисторы практически безынерционны и способны переходить из открытого в запертое состояние триллионы раз в секунду! Именно этой характеристикой, то есть способностью мгновенного переключения, и определяется в конечном счете быстродействие процессора, который состоит из десятков миллионов таких простейших транзисторов.
Итак, современная интегральная микросхема состоит из десятков миллионов простейших КМОП-транзисторов.
Вот изображение поперечного сечения процессора:
Сверху находится защитная металлическая крышка, которая помимо защитной функции, так же выполняет роль теплораспределителя – именно ее мы обильно мажем термопастой, когда устанавливаем кулер. Под теплораспределителем находится тот самый кусочек кремния, который выполняет все пользовательские задачи. Еще ниже – специальная подложка, которая нужна для разводки контактов (и увеличения площади «ножек»), чтобы процессор можно было установить в сокет материнской платы.
Сам чип состоит из кремния, на котором находится до 9 слоев металлизации (из меди) – именно столько уровней нужно, чтобы по определенному закону можно было соединить транзисторы, находящиеся на поверхности кремния (так как сделать все это на одном уровне просто невозможно). По сути, эти слои выполняют роль соединительных проводов, только в гораздо меньшем масштабе; чтобы «провода» не закорачивали друг друга, их разделяют слоем оксида (с низкой диэлектрической проницаемостью).
Остановимся более подробно на процессе изготовления микросхем, первый этап которого — получение кремниевых подложек.





